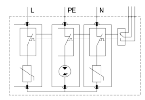
Cuando los DPS actúan se genera una corriente de choque contra PE (Tierra). Esto puede ser interpretado por el interruptor RCD como una corriente de fuga, haciendo que interrumpa el servicio de energía. Para evitar esto, los DPS Tipo 1 y Tipo 2 deben instalarse aguas arriba del interruptor RCD y solo pueden ir acompañados de dispositivos de protección contra sobrecorriente tales como fusibles, MCB, etc.
Los DPS Tipo 3 se pueden instalar aguas abajo de los interruptores RCD, si y solo si, se van a utilizar para proteger contra sobretensiones transversales (L-N). En este caso se debe adicionar un módulo al DPS para que aísle el sistema de protección de la tierra a través de una vía de chispas.

De esta manera, no se derivaría una corriente hacia tierra evitando que el interruptor RCD actúe cuando no debe.